IT AUZ 02_Rozsdamentes acél padlón álló WC
Cikkszám: IT AUZ 02
Rozsdamentes acél padlón álló WC
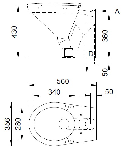
AUZ 02 egy padlón álló rozsdamentes acél WC automatika nélkül , műanyag ülőkével. Ez kényelmes megoldás minden olyan helyen, ahol nem lehet használni fali WC-t. Az ülés rész el van látva műanyag hátlappal. A WC 1,5 mm vastagságú rozsdamentes acélból készül, az ülőke 2 mm vastag. Kiegészíthető AUZ 3 automatikus öblítő rendszerrel és KZ 1 konzollal. AUZ 02-t gyártják vandálbiztos kivitelben is (BSNZ 02), amely a kiemelt biztonságú helyeken (pl.börtönökben, korházakban) jelent megoldást. Vandálbiztos változat nem tartalmazza az ülőkét, valamint az összes él le van kerekítve. AUZ 02-t AISI 304 rozsdamentes acélból gyártják de rendelhető egyéb anyagokból is (pl. AISI 316).
Alapvető műszaki adatok
| Víz becsatlakozás | d = 34 - 50 mm |
| Min. water flow | 70 ltrs./min |
| Kivezetés | d = 90 mm |
| Súly | 19 kg |
